


電話:021-66075588
傳真:021-36213039
郵箱:shtlv6@163.com
地址:上海市寶山區(qū)市臺路388號

BKH、MKH系列高壓卡箍球閥
圖形符號 
型號說明
①產品代號:BKH、MKH系列高壓球閥
②接頭標準:SAE J518C標準
③壓力等級:210、420 bar
④公稱通徑:13、20、25、32、40、50 mm
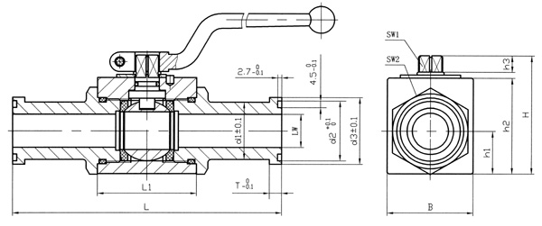
外形尺寸

尺寸表:
|
簡略型號
|
bar
|
DN
|
LW
|
L
|
L1
|
B
|
H
|
h1
|
h2
|
h3
|
SW1
|
SW2
|
T
|
d1
|
d2
|
d3
|
美標O形圈
|
|
BKH-SAE-FS-210-13
|
210
|
13
|
13
|
151
|
47
|
35
|
49
|
18
|
38
|
10
|
09
|
30
|
6.8
|
24
|
25.5
|
30.2
|
18.6×3.5
|
|
BKH-SAE-FS-420-13
|
420
|
13
|
13
|
151
|
47
|
35
|
49
|
18
|
38
|
10
|
09
|
30
|
7.9
|
24
|
25.5
|
31.8
|
18.6×3.5
|
|
BKH-SAE-FS-210-20
|
210
|
20
|
19
|
162
|
60
|
48
|
70
|
25
|
55
|
11
|
12
|
41
|
6.8
|
31.7
|
31.9
|
38.1
|
25×3.5
|
|
BKH-SAE-FS-420-20
|
315
|
20
|
19
|
174
|
60
|
48
|
70
|
25
|
55
|
11
|
12
|
41
|
8.9
|
32
|
31.9
|
41.3
|
25×3.5
|
|
BKH-SAE-FS-210-25
|
210
|
25
|
25
|
178
|
65
|
57
|
79
|
28.5
|
64
|
11
|
12
|
50
|
8.1
|
38
|
39.8
|
44.4
|
32.9×3.5
|
|
BKH-SAE-FS-420-25
|
315
|
25
|
22
|
198
|
65
|
57
|
79
|
28.5
|
64
|
11
|
12
|
50
|
9.6
|
38
|
39.8
|
47.6
|
32.9×3.5
|
|
BKH-SAE-FS-210-32
|
210
|
32
|
30
|
191
|
84
|
75
|
101
|
37.5
|
84
|
12
|
14
|
60
|
8.1
|
43
|
44.6
|
50.8
|
37.7×3.5
|
|
BKH-SAE-FS-420-32
|
350
|
32
|
27
|
223
|
84
|
75
|
101
|
37.5
|
84
|
12
|
14
|
60
|
10.4
|
44
|
44.6
|
54
|
37.7×3.5
|
|
BKH-SAE-FS-210-40
|
210
|
40
|
36
|
231
|
91
|
85
|
112
|
42.5
|
95
|
12
|
14
|
70
|
8.1
|
50
|
54.1
|
60.3
|
47.2×3.5
|
|
BKH-SAE-FS-420-40
|
350
|
40
|
32
|
281
|
91
|
85
|
112
|
42.5
|
95
|
12
|
14
|
70
|
12.7
|
51
|
54.1
|
63.5
|
47.2×3.5
|
|
BKH-SAE-FS-210-50
|
210
|
50
|
48
|
232
|
100
|
104
|
131
|
62
|
112.5
|
12
|
14
|
90
|
9.6
|
62
|
63.6
|
71.4
|
56.7×3.5
|
|
BKH-SAE-FS-420-50
|
350
|
50
|
45
|
316
|
100
|
104
|
131
|
62
|
112.5
|
12
|
14
|
90
|
12.7
|
67
|
63.6
|
79.4
|
56.7×3.5
|